Descripción
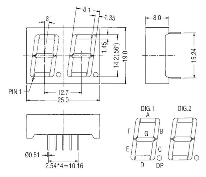
Este es un display básico de 4 dígitos de 7 segmentos en color rojo es una forma de representar números en equipos electrónicos. Está compuesto de siete segmentos que se pueden encender o apagar individualmente. Cada segmento tiene la forma de una pequeña línea. Los leds están estratégicamente (con puntos digitales en cada dígito) ubicados de tal forma que forme un número ‘8’.
|
ESPECIFICACIONES TÉCNICAS |
• Voltaje: 3 VCD • Amperaje: 30 mA • Número de segmentos: 7 • Numero de pines: 12 • Cátodo común • Posición de los pines con respecto al punto: Horizontales |
| CARACTERÍSTICAS |
• Color del LED: Rojo • Dimensiones del display: 5 x 1.9 x 0.7 cm |
Información Adicional
| Tipo |
Ánodo, Cátodo |
|---|
Display 7 Segmentos 2 Dígitos Red Ánodo / Cátodo
$ 9.00
